Médiá prenosu informácií sú fyzické alebo bezdrôtové cesty, ktorými sa prenáša signál od zdroja k prijímaču. Ich úlohou je zabezpečiť čo najspoľahlivejší, rýchly a kvalitný prenos dát, zvuku alebo obrazu.
Základné typy prenosových médií
- Metalické vedenia – napríklad krútená dvojlinka (UTP, STP) alebo koaxiálny kábel. Používajú sa v telefonických a sieťových systémoch. Výhody: jednoduchá inštalácia, nízka cena. Nevýhody: útlm, rušenie elektromagnetickým poľom.
- Optické vlákna – prenášajú svetelný signál. Výhody: vysoká prenosová rýchlosť, malý útlm, odolnosť voči rušeniu. Nevýhody: náročnejšia montáž a cena.
- Bezdrôtové prenosy – využívajú elektromagnetické vlny (rádiové, mikrovlnné, infračervené, satelitné). Výhody: mobilita, jednoduché nasadenie. Nevýhody: náchylnosť na rušenie a potreba priamych rádiových trás.
Čo rozhoduje o kvalite prenosu?
Šírka pásma
Určuje maximálnu prenosovú rýchlosť. Väčšie pásmo → vyšší dátový tok (typicky).
Určuje maximálnu prenosovú rýchlosť. Väčšie pásmo → vyšší dátový tok (typicky).
Útlm
Pokles úrovne signálu so vzdialenosťou. Vyjadruje sa v dB. Pri veľkom útlme treba zosilňovače/opakovače.
Pokles úrovne signálu so vzdialenosťou. Vyjadruje sa v dB. Pri veľkom útlme treba zosilňovače/opakovače.
Šum a rušenie
Rušenie z okolia (EMI), presluchy (crosstalk), atmosféra (bezdrôt). Zhoršuje pomer SNR.
Rušenie z okolia (EMI), presluchy (crosstalk), atmosféra (bezdrôt). Zhoršuje pomer SNR.
Latencia
Oneskorenie prenosu. Vo vlákne je rýchlosť ~2/3 rýchlosti svetla, v satelite je latencia veľmi veľká.
Oneskorenie prenosu. Vo vlákne je rýchlosť ~2/3 rýchlosti svetla, v satelite je latencia veľmi veľká.
SNR a BER:
Čím vyšší je pomer signál/šum (SNR), tým nižšia je chybovosť bitov (BER). Preto sa v praxi rieši tienenie, správne ukončenie vedení, kvalitné konektory a vhodná modulácia/kódovanie.
Čím vyšší je pomer signál/šum (SNR), tým nižšia je chybovosť bitov (BER). Preto sa v praxi rieši tienenie, správne ukončenie vedení, kvalitné konektory a vhodná modulácia/kódovanie.
Metalické vedenia – viac detailov
- Krútená dvojlinka (UTP/STP): krútenie znižuje presluchy a rušenie; STP má tienenie → vyššia odolnosť.
- Koaxiálny kábel: dobré tienenie, vhodný aj pre vyššie frekvencie (TV, RF), robustnejší proti EMI než UTP.
- Obmedzenia: útlm rastie s frekvenciou; pri vyšších rýchlostiach sa vedenie správa ako prenosová linka → riešia sa odrazy a terminácia.
Porovnanie parametrov metalického vedenia (primárne a sekundárne)
Primárne parametre sú vlastnosti vedenia na jednotku dĺžky (na 1 m): R, L, C, G.
Sekundárne parametre popisujú šírenie signálu po vedení: útlm, fázový posun a dôležitá je aj charakteristická (vlnová) impedancia.
Sekundárne parametre popisujú šírenie signálu po vedení: útlm, fázový posun a dôležitá je aj charakteristická (vlnová) impedancia.
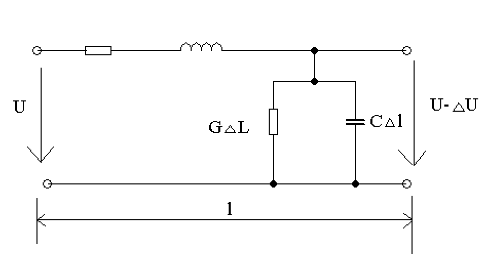
Náhradná schéma vedenia
Schéma rozložených parametrov: v sérii R·Δl a L·Δl, paralelne G·Δl a C·Δl.
Primárne parametre (na jednotku dĺžky)
Merný odpor R [Ω/m]
Straty vo vodiči → spôsobuje útlm. S frekvenciou rastie vplyvom skin efektu (prúd tečie viac po povrchu vodiča).
Straty vo vodiči → spôsobuje útlm. S frekvenciou rastie vplyvom skin efektu (prúd tečie viac po povrchu vodiča).
Merná indukčnosť L [H/m]
Vzniká magnetickým poľom okolo vodičov. Ovplyvňuje fázový posun a rýchlosť šírenia signálu.
Vzniká magnetickým poľom okolo vodičov. Ovplyvňuje fázový posun a rýchlosť šírenia signálu.
Merná kapacita C [F/m]
Elektrické pole medzi vodičmi (izolácia). Spôsobuje oneskorenie a fázový posun.
Elektrické pole medzi vodičmi (izolácia). Spôsobuje oneskorenie a fázový posun.
Merná vodivosť G [S/m]
Zvod cez izoláciu (nedokonalá izolácia, vlhkosť). Prispieva k útlmu signálu.
Zvod cez izoláciu (nedokonalá izolácia, vlhkosť). Prispieva k útlmu signálu.
Sekundárne parametre (čo vidíme na prenose signálu)
| Parameter | Čo znamená | Najviac závisí od |
|---|---|---|
| Útlm (zoslabenie) | Amplitúda signálu klesá so vzdialenosťou (straty). | R (odpor vodiča), G (zvod izolácie), frekvencia, dĺžka vedenia |
| Fázový posun | Signál je časovo posunutý (oneskorený) – mení sa fáza pozdĺž vedenia. | L a C (uložená energia v magnetickom a elektrickom poli) |
| Charakteristická / vlnová impedancia Z0 | „Vlastná impedancia“ vedenia pre postupnú vlnu. Dôležitá pre termináciu a odrazy. | Najmä pomer L a C (pri nízkych stratách) |
Optické vlákna – viac detailov
- Odolnosť voči EMI: vlákno nevedie elektrinu, preto je ideálne aj do priemyslu a dlhých trás.
- Disperzia: impulzy sa môžu rozťahovať (najmä multimód), preto sa na veľké vzdialenosti používa najmä jednomód.
- Multiplexovanie (WDM): viac kanálov na rôznych vlnových dĺžkach cez jedno vlákno → extrémna kapacita.
Bezdrôtové prenosy – viac detailov
- Útlm a prekážky: signál slabne so vzdialenosťou a je citlivý na prekážky (budovy, terén).
- Viaccestné šírenie (multipath): odrazy spôsobujú vyhasínanie (fading) a zmeny signálu v čase.
- Interferencia: viac zdrojov v rovnakom pásme → rušenie; riešenie: kanály, plánovanie, modulácie, OFDM.
- Výhoda: mobilita a rýchle nasadenie (Wi-Fi, LTE/5G, rádiorelé).
Duplex a topológie (ako sa prenáša v praxi)
- Simplex: prenos iba jedným smerom (napr. TV vysielanie).
- Half-duplex: striedavo oboma smermi (napr. vysielačky).
- Full-duplex: súčasne oboma smermi (napr. ethernet, optika s oddelenými vláknami alebo WDM).
- Topológie: bod-bod (linka), hviezda (LAN), kruh, zbernica – závisí od technológie siete.
Ako vybrať médium? (stručné odporúčania)
Krátke vzdialenosti / nízka cena
UTP/STP (LAN v budove), jednoduchá montáž.
UTP/STP (LAN v budove), jednoduchá montáž.
Veľké rýchlosti / dlhé trasy
Optické vlákno (campus, backbone, operátori, dátové centrá).
Optické vlákno (campus, backbone, operátori, dátové centrá).
Mobilita / bez výkopov
Bezdrôt (Wi-Fi, LTE/5G, rádiorelé, satelit – podľa dosahu a latencie).
Bezdrôt (Wi-Fi, LTE/5G, rádiorelé, satelit – podľa dosahu a latencie).