Hlasové telekomunikačné terminály sú zariadenia, ktoré umožňujú prenos, spracovanie a reprodukciu hlasu v telekomunikačných systémoch. Ich úlohou je premeniť akustický signál na elektrický (pri prenose) alebo elektrický signál späť na zvuk (pri prijímaní).
Rozdelenie hlasových telekomunikačných terminálov
- Podľa napájania: ústredné, miestne
- Podľa voľby: impulzná, frekvenčná
- Podľa číselnice: rotačná, tlačidlová
- Podľa signálu: analógové, digitálne
- Podľa pripojenia k sieti: pevná linka, bezšnúrové, mobilné, IP
- Podľa účelu: jednoúčelové, viacúčelové, špeciálne
Zloženie
Hlasové telekomunikačné terminály – základné typy zapojenia pevnej linky
AT – automatickátelefónna sústava
MB – miestna batéria
UB – ústredňová batéria
MB telefón
Z-zvonček
I- induktor (generuje signál od 70V o f 20-25Hz)
HT- hovorový transformátor
M- mikrofón
vp1,2- vidlicové prepínače
Ako funguje mb telefón:
- Telefón je napájaný miestnou batériou umiestnenou priamo v prístroji.
- Po zdvihnutí mikrotelefónu sa uzavrie obvod pomocou vidlicového prepínača.
- Mikrofón premieňa hovorené slovo na elektrický signál.
- Elektrický signál sa prenáša po vedení k druhému telefónu.
- Reproduktor (slúchadlo) na prijímacej strane premieňa elektrický signál späť na zvuk.
- Zvonček je napájaný induktorom, ktorý generuje striedavé napätie na signalizáciu hovoru.
UB telefón
Z – zvonček
I – induktor
HT-hovorový transformátor
M – mikrofón
vp– vidlicový prepínač
R – vyvažovací odpor
C – kondenzátor
Ako funguje UB telefón:
- Telefón je napájaný z ústredne cez telefónne vedenie.
- Po zdvihnutí mikrotelefónu sa uzavrie účastnícky obvod pomocou vidlicového prepínača.
- Mikrofón premieňa hovorené slovo na elektrický signál.
- Elektrický signál sa prenáša po vedení do ústredne a k volanému účastníkovi.
- Hovorový transformátor a vyvažovací odpor zabezpečujú správnu úroveň a oddelenie signálov.
- Zvonček je ovládaný striedavým napätím z ústredne na signalizáciu prichádzajúceho hovoru.
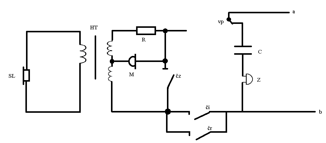
AUT telefón
Z – zvonček
I – induktor
HT– hovorový transformátor
M – mikrofón
či, čr, čz– riadiace kontakty rotačnej číselnice
či – impulzový kontakt: generuje sériový dekadický kód; ak vytočím číslo 5, tak či vygeneruje 7 impulzov
čr – paralelný kontakt: skratuje posledné 2 impulzy vyrobené či
čz – skratovací kontakt: pri voľbe skratuje hovorovú súpravu a chráni ju pred poškodením
Z-zvonček
I- induktor (generuje signál od 70V o f 20-25Hz)
HT- hovorový transformátor
M- mikrofón
vp1,2- vidlicové prepínače
Ako funguje mb telefón:
- Telefón je napájaný miestnou batériou umiestnenou priamo v prístroji.
- Po zdvihnutí mikrotelefónu sa uzavrie obvod pomocou vidlicového prepínača.
- Mikrofón premieňa hovorené slovo na elektrický signál.
- Elektrický signál sa prenáša po vedení k druhému telefónu.
- Reproduktor (slúchadlo) na prijímacej strane premieňa elektrický signál späť na zvuk.
- Zvonček je napájaný induktorom, ktorý generuje striedavé napätie na signalizáciu hovoru.
Z – zvonček
I – induktor
HT-hovorový transformátor
M – mikrofón
vp– vidlicový prepínač
R – vyvažovací odpor
C – kondenzátor
Ako funguje UB telefón:
- Telefón je napájaný z ústredne cez telefónne vedenie.
- Po zdvihnutí mikrotelefónu sa uzavrie účastnícky obvod pomocou vidlicového prepínača.
- Mikrofón premieňa hovorené slovo na elektrický signál.
- Elektrický signál sa prenáša po vedení do ústredne a k volanému účastníkovi.
- Hovorový transformátor a vyvažovací odpor zabezpečujú správnu úroveň a oddelenie signálov.
- Zvonček je ovládaný striedavým napätím z ústredne na signalizáciu prichádzajúceho hovoru.
Z – zvonček
I – induktor
HT– hovorový transformátor
M – mikrofón
či, čr, čz– riadiace kontakty rotačnej číselnice
či – impulzový kontakt: generuje sériový dekadický kód; ak vytočím číslo 5, tak či vygeneruje 7 impulzov
čr – paralelný kontakt: skratuje posledné 2 impulzy vyrobené či
čz – skratovací kontakt: pri voľbe skratuje hovorovú súpravu a chráni ju pred poškodením
Ako funguje AUT telefón:
- Telefón je napájaný z ústredne cez účastnícke vedenie.
- Po zdvihnutí mikrotelefónu sa uzavrie obvod pomocou vidlicového prepínača.
- Účastník volí číslo pomocou rotačnej číselnice, ktorá vytvára impulzy.
- Impulzový kontakt (či) generuje sériový dekadický kód podľa zvoleného čísla.
- Paralelný kontakt (čr) skratuje posledné impulzy, aby boli správne vyhodnotené ústredňou.
- Skratovací kontakt (čz) počas voľby odpája hovorovú súpravu a chráni ju pred poškodením.
- Ústredňa automaticky vyhodnotí impulzy a spojí hovor s volaným účastníkom.
Súčasné technológie hlasových telekomunikačných terminálov
Moderné hlasové telekomunikačné terminály už nie sú len klasické analógové telefóny. Dnes sa hlas veľmi často prenáša digitálne ako dáta (pakety) cez IP siete, mobilné siete 4G/5G alebo Wi-Fi. Preto sa stretávame s pojmami ako VoIP, SIP, RTP, kodeky, QoS a šifrovanie.
Hlavný trend: prechod od analógovej pevnej linky k digitálnym riešeniam: VoIP (IP telefónia), mobilné volanie cez LTE/5G (VoLTE/VoNR) a Wi-Fi Calling.
1) IP telefónia (VoIP) – IP telefóny a softphone
VoIP (Voice over IP) je prenos hlasu cez dátovú sieť (LAN/Internet). Hlas sa v termináli digitalizuje, komprimuje pomocou kodeku a prenáša sa v IP paketoch. V praxi sa používajú hardvérové IP telefóny alebo softvérové telefóny(softphone).
IP telefón
Hardvérový telefón pripojený do LAN. Často podporuje PoE (napájanie cez Ethernet), displej, adresár, konferencie a viac účtov.
Softfón
Aplikácia v PC alebo mobile (firemné volanie). Používa headset a internetové pripojenie.
VoIP brána
Prepojenie analógových telefónov/liniek so sieťou VoIP (FXS/FXO) – typické pri migrácii zo starších systémov.
2) SIP a RTP – ako prebieha hovor v IP sieťach
V IP telefónii sa zvyčajne rozlišujú dve časti:
- Signalizácia – nadviazanie hovoru, vytáčanie, ukončenie (najčastejšie protokol SIP).
- Médiá – samotný hlasový prenos (najčastejšie RTP; zabezpečená verzia je SRTP).
Jednoducho: SIP „dohodne“ hovor (kto s kým), RTP prenáša hlas (čo sa hovorí).
3) Kodeky (kompresia hlasu)
Kodek určuje, ako sa hlas kóduje/komprimuje. Ovplyvňuje kvalitu, dátový tok a oneskorenie. Pri VoIP je cieľom dobrá kvalita pri čo najmenšej dátovej rýchlosti.
- G.711 – vysoká kvalita, vyšší dátový tok (často v LAN a ústredniach).
- G.729 – nižší dátový tok, vhodné pri obmedzenom pásme (WAN).
- Opus – moderný a veľmi flexibilný kodek (častý v aplikáciách a WebRTC).
Parametre kvality hovoru:
- Latencia – veľké oneskorenie zhoršuje plynulosť hovoru.
- Jitter – kolísanie oneskorenia paketov (rieši sa jitter bufferom).
- Strata paketov – spôsobuje výpadky alebo „robotický“ hlas.
4) QoS (Quality of Service) v hlasových sieťach
Keďže hlas je citlivý na oneskorenie, v sieťach sa používa QoS, aby hlasové pakety mali prednosť pred bežnými dátami.
- prioritizácia hlasu v prepínačoch a routeroch (značkovanie paketov),
- oddelenie hlasu do samostatnej VLAN (Voice VLAN),
- správne nastavenie šírky pásma a stabilné pripojenie.
5) Mobilné technológie: VoLTE, VoNR a Wi-Fi Calling
- VoLTE – hlas cez 4G/LTE (rýchlejšie spojenie, lepšia kvalita oproti 2G/3G).
- VoNR – hlas cez 5G (moderná varianta, závisí od dostupnosti siete).
- Wi-Fi Calling – volanie cez Wi-Fi sieť, vhodné v budovách so slabým signálom operátora.
6) DECT, konferenčné terminály a headsety
DECT
Bezšnúrové kancelárske telefóny. V praxi sa často spájajú s IP ústredňou (DECT over IP).
Konferenčné terminály
Zariadenia pre konferenčné hovory (mikrofóny + reproduktory), často podporujú VoIP alebo aplikácie.
Headsety
USB/Bluetooth headsety pre softfóny a call centrá. Dôležitá je redukcia šumu a pohodlie.
7) Bezpečnosť hlasovej komunikácie
V moderných systémoch je dôležitá aj ochrana proti odpočúvaniu a zneužitiu:
- šifrovanie signalizácie a hlasu (napr. zabezpečené varianty protokolov),
- autentifikácia používateľov a silné heslá,
- ochrana proti neautorizovaným volaniam a útokom na VoIP,
- správne nastavenie siete (oddelenie sietí, firewall).
Zhrnutie
- Súčasné terminály často využívajú VoIP a dátové siete.
- Hovor sa riadi cez SIP a hlas sa prenáša cez RTP.
- Kvalitu ovplyvňujú kodeky, latencia, jitter a strata paketov.
- V praxi sa používa QoS, bezpečnosť (šifrovanie) a moderné mobilné služby (VoLTE/VoNR, Wi-Fi Calling).